Introductions
GPRS smart water meter is used to measure the water flow in the pipeline and upload meter data through wireless GPRS network.
The GPRS water meter with the function of remote data reading,remote valve control, remote recharge, timed data report, online balance or consumption checking, alarms( low balance, low battery and under electromagnetic attack) and etc.
You can set the payment mode of the GPRS water meter to prepaid by credit, prepaid by volume, or postpaid.
This GPRS smart water meter with IC card functions, customers can use IC card to recharge.
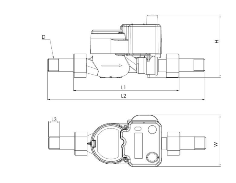
Dimension

| Size | DN15 | DN20 | DN25 |
| D | R1/2 | R3/4 | R1 |
| L1 | 165mm | 195mm | 225mm |
| L2 | 255mm | 295mm | 341mm |
| L3 | 14mm | 16mm | 18mm |
| H | 128.5mm | 130.5mm | 136.5mm |
| W | 107.5mm | 107.5mm | 107.5mm |
Main Technical Parameters
| Caliber(DN) | 15mm | 20mm | 25mm |
| Overload Flow Rate (Q4) | 3.125 m³/h | 5 m³/h | 7.875 m³/h |
| Common Flow Rate ( Q3) | 2.5 m³/h | 4 m³/h | 6.3m³/h |
| Transitional Flow Rate (Q2) | 0.04m³/h | 0.064m³/h | 0.1008m³/h |
| Minimum Flow Rate (Q1 ) | 0.025m³/h | 0.04m³/h | 0.063m³/h |
| Range Ratio (Q3/Q1) | R100 |
| Accuracy of LCD display | 0.1m³ |
| Working Current | 8uA (statistic current) / 3mA (Online standby current) |
| Maximum Reading | 99999.999m³ |
| Minimum Reading | 0.0001m³ |
| Level of Pressure Loss | △p63 |
| Flow Section Sensitivity Level | U10,D5 |
| Accuracy Class | Class B |
| EMC Level | E1 |
| Working Pressure | 0.03-1.0MPa |
| Power Supply | 3.6V lithium battery |
| Battery life | 8-10 years |
| Working Temperature | Cold water :0.1℃~30℃ |
| Environment Safe Class | Class B |
| Material | Brass |
| Valve Function | With valve |

Features
- GRPS IoT communication, safe and reliable.
- Infrared Interface: Combine with APP to configure meter and read meter.
- Electric suspension ball valve technique,reliable work, small pressure loss.
- Totally sealed design, IP68
- Freely set online time, read real-time data and freeze data during online time.
- Anti-external electric and magnetic attack valve and give instructions.
- Microcomputer and micro-storage technique: high integrated and high reliability.
- Replaceable lithium battery with lifespan of 8-10 year.








